CN / EN
文档反馈
感谢关注汇顶文档,期待您的宝贵建议!
感谢您的反馈,祝您愉快!
无匹配项 共计114个匹配页面

示例工程

I2C Master和Slave相互收发数据(中断方式)

I2C Master和Slave示例实现I2C之间的通信,其中一端为Master主设备,另一端为Slave从设备。Master端工程路径:SDK_Folder\projects\peripheral\i2c\app_i2c_master,Slave端工程路径:SDK_Folder\projects\peripheral\i2c\app_i2c_slave

流程图

图 16 I2C Master和Slave对测(中断方式)示例流程

初始化参数

  1. Master参数配置
    app_i2c_params_t master_params = {
        .id = MASTER_I2C_ID,
        .role = APP_I2C_ROLE_MASTER,
        .pin_cfg = {
            .scl = {
                .type = APP_I2C_MASTER_SCL_IO_TYPE,
                .mux  = APP_I2C_MASTER_SCL_PINMUX,
                .pin  = APP_I2C_MASTER_SCL_PIN,
                .pull = APP_IO_NOPULL,
            },
            .sda = {
                .type = APP_I2C_MASTER_SDA_IO_TYPE,
                .mux  = APP_I2C_MASTER_SDA_PINMUX,
                .pin  = APP_I2C_MASTER_SDA_PIN,
                .pull = APP_IO_NOPULL,
            },
        },
        .dma_cfg = {
            .tx_dma_instance = DMA0,
            .rx_dma_instance = DMA0,
            .tx_dma_channel  = DMA_Channel2,
            .rx_dma_channel  = DMA_Channel3,
        },
        .init = {
            .speed = I2C_SPEED_100K,
            .own_address = MASTER_DEV_ADDR,
            .addressing_mode = I2C_ADDRESSINGMODE_7BIT,
            .general_call_mode = I2C_GENERALCALL_DISABLE,
        },
    };
    
    • id:I2C Master的ID,具体配置值请参考board_SK.h
    • role:角色配置为APP_I2C_ROLE_MASTER。
    • pin_cfg:引脚配置。
      • pin_cfg.scl:时钟引脚配置,包括IO类型、复用MUX模式、引脚和上下拉模式。具体配置值,请参考board_SK.h
      • pin_cfg.sda:数据引脚配置,配置IO复用成IIC的复用模式,IO类型和引脚,上下拉模式,具体配置值,请参考board_SK.h

      以GR5526为例,下面是board_SK.h中相关定义:

      /*******I2C IO CONFIG***************************/
      #define APP_I2C_MASTER_SCL_PIN              APP_IO_PIN_6
      #define APP_I2C_MASTER_SDA_PIN              APP_IO_PIN_7
      #define APP_I2C_MASTER_SCL_IO_TYPE          APP_IO_TYPE_GPIOA
      #define APP_I2C_MASTER_SDA_IO_TYPE          APP_IO_TYPE_GPIOA
      #define APP_I2C_MASTER_SCL_PINMUX           APP_IO_MUX_0
      #define APP_I2C_MASTER_SDA_PINMUX           APP_IO_MUX_0
    • dma_cfg:DMA参数配置
      • dma_cfg.tx_dma_instance:发送使用的DMA实例
      • dma_cfg.rx_dma_instance:接收使用的DMA实例
      • dma_cfg.tx_dma_channel:发送使用的DMA实例通道,选择通道2
      • dma_cfg.rx_dma_channel:接收使用的DMA实例通道,选择通道3
    • init:串口传输参数配置
      • init.speed:传输速率,选择I2C_SPEED_100K,即为100 kHz
      • init.own_address:主设备地址,定义如下
        #define MASTER_DEV_ADDR         0x4D
      • init.addressing_mode:地址模式,7 bits地址
      • init.general_call_mode:使能/禁用通用广播模式,选择I2C_GENERALCALL_DISABLE,表示禁用广播模式。
  2. Slave参数配置
    app_i2c_params_t slave_params = {
        .id = SLAVE_I2C_ID,
        .role = APP_I2C_ROLE_SLAVE,
        .pin_cfg = {
            .scl = {
                .type = APP_I2C_SLAVE_SCL_IO_TYPE,
                .mux  = APP_I2C_SLAVE_SCL_PINMUX,
                .pin  = APP_I2C_SLAVE_SCL_PIN,
                .pull = APP_IO_NOPULL,
            },
            .sda = {
                .type = APP_I2C_SLAVE_SDA_IO_TYPE,
                .mux  = APP_I2C_SLAVE_SDA_PINMUX,
                .pin  = APP_I2C_SLAVE_SDA_PIN,
                .pull = APP_IO_NOPULL,
            },
        },
        .dma_cfg = {
            .tx_dma_instance = DMA0,
            .rx_dma_instance = DMA0,
            .tx_dma_channel  = DMA_Channel2,
            .rx_dma_channel  = DMA_Channel3,
        },
        .init = {
            .speed = I2C_SPEED_100K,
            .own_address = SLAVE_DEV_ADDR,
            .addressing_mode = I2C_ADDRESSINGMODE_7BIT,
            .general_call_mode = I2C_GENERALCALL_DISABLE,
        },
    };
    
    • id:定义Slave使用ID,具体配置值请参考board_SK.h
    • role:角色配置为APP_I2C_ROLE_SLAVE。
    • pin_cfg:引脚配置。
      • pin_cfg.scl:时钟引脚配置,配置IO复用成IIC的复用模式,IO类型和引脚,上下拉模式,具体配置值请参考board_SK.h
      • pin_cfg.scl sda:数据引脚配置,配置IO复用成IIC的复用模式,IO类型和引脚,上下拉模式,具体配置值请参考board_SK.h

      以GR5526为例,下面是board_SK.h中相关定义:

      #define APP_I2C_SLAVE_ID                    APP_I2C_ID_3
      #define APP_I2C_SLAVE_SCL_PIN               APP_IO_PIN_6
      #define APP_I2C_SLAVE_SDA_PIN               APP_IO_PIN_7
      #define APP_I2C_SLAVE_SCL_IO_TYPE           APP_IO_TYPE_GPIOA
      #define APP_I2C_SLAVE_SDA_IO_TYPE           APP_IO_TYPE_GPIOA
      #define APP_I2C_SLAVE_SCL_PINMUX            APP_IO_MUX_0
      #define APP_I2C_SLAVE_SDA_PINMUX            APP_IO_MUX_0
    • dma_cfg:DMA参数配置
      • dma_cfg .tx_dma_instance:发送使用的DMA实例
      • dma_cfg .rx_dma_instance:接收使用的DMA实例
      • dma_cfg .tx_dma_channel:发送使用的DMA实例通道,选择通道2
      • dma_cfg .rx_dma_channel:接收使用的DMA实例通道,选择通道3
    • init:串口传输参数配置
      • init.speed:传输速率,选择I2C_SPEED_100K,100 kHz
      • init. own_address:本设备地址,作为slave时有效,定义如下
        #define SLAVE_DEV_ADDR                 0x55
      • init. addressing_mode:地址模式,7 bits地址
      • init. general_call_mode:配置使能/不使能通用广播模式,此处选择I2C_GENERALCALL_DISABLE表示不使能。
    说明:

    SCL和SDA都需要外部接上拉电阻。

重要函数

  • 模块初始化
    ret = app_i2c_init(&master_params, app_i2c_master_evt_handler)
  • Slave接收数据,第二位I2C Slave地址无效,此处配置为0;rdata为接收数据存放的数组,接收数据长度256字节。
    app_i2c_receive_async(SLAVE_I2C_ID, 0, rdata, 256)
  • Master发送数据,其中从设备地址为SLAVE_DEV_ADDR,待发送数据为wdata,发送数据长度256字节。
    ret = app_i2c_transmit_async(MASTER_I2C_ID, SLAVE_DEV_ADDR, wdata, 256)
  • Slave发送数据,第二位I2C Slave地址无效,此处配置为0;wdata为发送数据存放的数组,发送数据长度256字节。
    app_i2c_transmit_async(SLAVE_I2C_ID, 0, wdata, 256)
  • Master接收数据,其中从设备地址为SLAVE_DEV_ADDR,待接收数据为rdata,接收数据长度256字节。
    ret = app_i2c_receive_async(MASTER_I2C_ID, SLAVE_DEV_ADDR, rdata, 256)

测试验证

  1. 硬件准备:2块开发板(A板和B板)
  2. 引脚连接:参考示例工程代码使用IO进行连接

测试步骤:本示例采用Master和Slave对测方式。Master端代码路径:projects\peripheral\i2c\app_i2c_maste,Slave端代码路径:projects\peripheral\i2c\app_i2c_slave。连接引脚后,B板下载Slave程序,A板下载Master程序,需保证Slave先于Master准备就绪。

Master端打印日志如下:

app i2c interrrupt test.
I2C master send start.

[18:45:56.937] I2C master read start.
I2C master received:
0x00 0x01 0x02 0x03 0x04 0x05 0x06 0x07 
0x08 0x09 0x0A 0x0B 0x0C 0x0D 0x0E 0x0F 
0x10 0x11 0x12 0x13 0x14 0x15 0x16 0x17 
0x18 0x19 0x1A 0x1B 0x1C 0x1D 0x1E 0x1F 
0x20 0x21 0x22 0x23 0x24 0x25 0x26 0x27 
0x28 0x29 0x2A 0x2B 0x2C 0x2D 0x2E 0x2F 
0x30 0x31 0x32 0x33 0x34 0x35 0x36 0x37 
0x38 0x39 0x3A 0x3B 0x3C 0x3D 0x3E 0x3F 
0x40 0x41 0x42 0x43 0x44 0x45 0x46 0x47 
0x48 0x49 0x4A 0x4B 0x4C 0x4D 0x4E 0x4F 
0x50 0x51 0x52 0x53 0x54 0x55 0x56 0x57 
0x58 0x59 0x5A 0x5B 0x5C 0x5D 0x5E 0x5F 
0x60 0x61 0x62 0x63 0x64 0x65 0x66 0x67 
0x68 0x69 0x6A 0x6B 0x6C 0x6D 0x6E 0x6F 
0x70 0x71 0x72 0x73 0x74 0x75 0x76 0x77 
0x78 0x79 0x7A 0x7B 0x7C 0x7D 0x7E 0x7F 
0x80 0x81 0x82 0x83 0x84 0x85 0x86 0x87 
0x88 0x89 0x8A 0x8B 0x8C 0x8D 0x8E 0x8F 
0x90 0x91 0x92 0x93 0x94 0x95 0x96 0x97 
0x98 0x99 0x9A 0x9B 0x9C 0x9D 0x9E 0x9F 
0xA0 0xA1 0xA2 0xA3 0xA4 0xA5 0xA6 0xA7 
0xA8 0xA9 0xAA 0xAB 0xAC 0xAD 0xAE 0xAF 
0xB0 0xB1 0xB2 0xB3 0xB4 0xB5 0xB6 0xB7 
0xB8 0xB9 0xBA 0xBB 0xBC 0xBD 0xBE 0xBF 
0xC0 0xC1 0xC2 0xC3 0xC4 0xC5 0xC6 0xC7 
0xC8 0xC9 0xCA 0xCB 0xCC 0xCD 0xCE 0xCF 
0xD0 0xD1 0xD2 0xD3 0xD4 0xD5 0xD6 0xD7 
0xD8 0xD9 0xDA 0xDB 0xDC 0xDD 0xDE 0xDF 
0xE0 0xE1 0xE2 0xE3 0xE4 0xE5 0xE6 0xE7 
0xE8 0xE9 0xEA 0xEB 0xEC 0xED 0xEE 0xEF 
0xF0 0xF1 0xF2 0xF3 0xF4 0xF5 0xF6 0xF7 
0xF8 0xF9 0xFA 0xFB 0xFC 0xFD 0xFE 0xFF

Slave端打印日志如下:

app i2c slave interrrupt test.
I2C slave receive start.

[18:55:31.681] I2C slave received:
0x00 0x01 0x02 0x03 0x04 0x05 0x06 0x07 
0x08 0x09 0x0A 0x0B 0x0C 0x0D 0x0E 0x0F 
0x10 0x11 0x12 0x13 0x14 0x15 0x16 0x17 
0x18 0x19 0x1A 0x1B 0x1C 0x1D 0x1E 0x1F 
0x20 0x21 0x22 0x23 0x24 0x25 0x26 0x27 
0x28 0x29 0x2A 0x2B 0x2C 0x2D 0x2E 0x2F 
0x30 0x31 0x32 0x33 0x34 0x35 0x36 0x37 
0x38 0x39 0x3A 0x3B 0x3C 0x3D 0x3E 0x3F 
0x40 0x41 0x42 0x43 0x44 0x45 0x46 0x47 
0x48 0x49 0x4A 0x4B 0x4C 0x4D 0x4E 0x4F 
0x50 0x51 0x52 0x53 0x54 0x55 0x56 0x57 
0x58 0x59 0x5A 0x5B 0x5C 0x5D 0x5E 0x5F 
0x60 0x61 0x62 0x63 0x64 0x65 0x66 0x67 
0x68 0x69 0x6A 0x6B 0x6C 0x6D 0x6E 0x6F 
0x70 0x71 0x72 0x73 0x74 0x75 0x76 0x77 
0x78 0x79 0x7A 0x7B 0x7C 0x7D 0x7E 0x7F 
0x80 0x81 0x82 0x83 0x84 0x85 0x86 0x87 
0x88 0x89 0x8A 0x8B 0x8C 0x8D 0x8E 0x8F 
0x90 0x91 0x92 0x93 0x94 0x95 0x96 0x97 
0x98 0x99 0x9A 0x9B 0x9C 0x9D 0x9E 0x9F 
0xA0 0xA1 0xA2 0xA3 0xA4 0xA5 0xA6 0xA7 
0xA8 0xA9 0xAA 0xAB 0xAC 0xAD 0xAE 0xAF 
0xB0 0xB1 0xB2 0xB3 0xB4 0xB5 0xB6 0xB7 
0xB8 0xB9 0xBA 0xBB 0xBC 0xBD 0xBE 0xBF 
0xC0 0xC1 0xC2 0xC3 0xC4 0xC5 0xC6 0xC7 
0xC8 0xC9 0xCA 0xCB 0xCC 0xCD 0xCE 0xCF 
0xD0 0xD1 0xD2 0xD3 0xD4 0xD5 0xD6 0xD7 
0xD8 0xD9 0xDA 0xDB 0xDC 0xDD 0xDE 0xDF 
0xE0 0xE1 0xE2 0xE3 0xE4 0xE5 0xE6 0xE7 
0xE8 0xE9 0xEA 0xEB 0xEC 0xED 0xEE 0xEF 
0xF0 0xF1 0xF2 0xF3 0xF4 0xF5 0xF6 0xF7 
0xF8 0xF9 0xFA 0xFB 0xFC 0xFD 0xFE 0xFF 
I2C slave send start.

TP报点

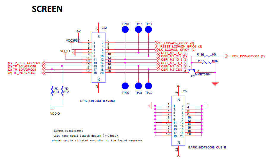
GR5526屏幕TP模块如下图所示,包含引脚有RESET、SCL、SDL和INT(中断)。RESET引脚主要通过复位信号复位TP模块,INT引脚在触摸屏幕时产生中断信号,触发报点中断。I2C的SCL和SDL读取触摸点的位置信息。工程路径:SDK_Folder\projects\peripheral\i2c\app_i2c_tp。该示例仅适用于GR5526。

图 17 GR5526屏幕TP模块示意图

初始化参数

  1. I2C配置
    static app_i2c_params_t tp_params = {
        .id = TP_I2C_ID,
        .role = APP_I2C_ROLE_MASTER,
        .pin_cfg = {
            .scl = {
                .type = TP_SCL_IO_TYPE,
                .mux  = TP_SCL_IO_MUX,
                .pin  = TP_SCL_IO_PIN,
                .pull = APP_IO_PULLUP,
            },
            .sda = {
                .type = TP_SDA_IO_TYPE,
                .mux  = TP_SDA_IO_MUX,
                .pin  = TP_SDA_IO_PIN,
                .pull = APP_IO_PULLUP,
            },
        },
        .dma_cfg = {
        #if (APP_DRIVER_CHIP_TYPE == APP_DRIVER_GR5332X)
            .tx_dma_instance = DMA0,
            .rx_dma_instance = DMA0,
        #else
            .tx_dma_instance = DMA1,
            .rx_dma_instance = DMA1,
        #endif
            .tx_dma_channel  = DMA_Channel0,
            .rx_dma_channel  = DMA_Channel1,
        },
        .init = {
            .speed = I2C_SPEED_400K,
            .own_address = 0x00,
            .addressing_mode = I2C_ADDRESSINGMODE_7BIT,
            .general_call_mode = I2C_GENERALCALL_DISABLE,
        },
    };
    
    • id:定义Slave使用ID,具体配置值请参考board_SK.h
    • role:角色配置为APP_I2C_ROLE_SLAVE。
    • pin_cfg:引脚配置
      • pin_cfg.scl:时钟引脚配置,配置IO复用成IIC的复用模式,IO类型和引脚、上下拉模式,具体配置值请参考board_SK.h
      • pin_cfg.scl sda:数据引脚配置,配置IO复用成IIC的复用模式,IO类型和引脚、上下拉模式,具体配置值请参考board_SK.h

      以GR5526为例,下面是board_SK.h中相关定义:

           #define TP_RST_IO_TYPE     APP_IO_TYPE_GPIOB
           #define TP_RST_IO_MUX      APP_IO_MUX_7
           #define TP_RST_IO_PIN      APP_IO_PIN_13
      
           #define TP_INT_IO_TYPE     APP_IO_TYPE_GPIOC
           #define TP_INT_IO_MUX      APP_IO_MUX_7
           #define TP_INT_IO_PIN      APP_IO_PIN_0
      
           #define TP_SCL_IO_TYPE     APP_IO_TYPE_GPIOB
           #define TP_SCL_IO_MUX      APP_IO_MUX_3
           #define TP_SCL_IO_PIN      APP_IO_PIN_14
      
           #define TP_SDA_IO_TYPE     APP_IO_TYPE_GPIOB
           #define TP_SDA_IO_MUX      APP_IO_MUX_3
           #define TP_SDA_IO_PIN      APP_IO_PIN_15
      
    • dma_cfg:DMA参数配置
      • dma_cfg .tx_dma_instance:发送使用的DMA实例
      • dma_cfg .rx_dma_instance:接收使用的DMA实例
      • dma_cfg .tx_dma_channel:发送使用的DMA实例通道,选择通道2
      • dma_cfg .rx_dma_channel:接收使用的DMA实例通道,选择通道3
    • init:串口传输参数配置
      • init.speed:传输速率,选择I2C_SPEED_400K,400 kHz
      • init. own_address:主设备地址,0x00
      • init. addressing_mode:地址模式,7 bits地址
      • init. general_call_mode:配置使能/禁用通用广播模式,此处选择I2C_GENERALCALL_DISABLE表示不使能。
  2. RESET引脚配置

    配置GPIO29为RESET引脚,GPIO29为上拉输出模式。

        app_io_init_t io_init = APP_IO_DEFAULT_CONFIG;
        io_init.pull = APP_IO_PULLUP;
        io_init.mode = APP_IO_MODE_OUTPUT;
        io_init.pin  = TP_RST_IO_PIN;
        io_init.mux  = TP_RST_IO_MUX;
        app_io_init(TP_RST_IO_TYPE, &io_init);
  3. INT引脚配置

    配置GPIO32为中断输入引脚,GPIO32下降沿触发,上拉输入模式。

        app_gpiote_param_t param[1] =
        {
             TP_INT_IO_TYPE,
             TP_INT_IO_PIN,
             APP_IO_MODE_IT_FALLING,
             APP_IO_PULLUP,
             tp_interrupt_callback,
         };
        app_gpiote_init(param, 1);

重要函数

  • 初始化I2C
    app_i2c_init(&tp_params, NULL)
  • 初始化RESET和INT引脚,并注册中断函数
    tp_pin_init()
  • 使能TP模块
    tp_rst()

测试验证

连接带屏幕的开发板到PC端,打开串口调试助手,连接串口,用手触摸屏幕,查看报点信息,如下显示触摸点的屏幕位置。

TP coordinates:x: 0x d4, y: 0x cd
TP coordinates:x: 0x d4, y: 0x cc
TP coordinates:x: 0x d3, y: 0x cb
TP coordinates:x: 0x d3, y: 0x cb
TP coordinates:x: 0x d2, y: 0x cb
TP coordinates:x: 0x d2, y: 0x cb
TP coordinates:x: 0x d2, y: 0x cb

扫描关注

打开微信,使用“扫一扫”即可关注。