CN / EN
文档反馈
感谢关注汇顶文档,期待您的宝贵建议!
感谢您的反馈,祝您愉快!
无匹配项 共计114个匹配页面

UART

Introduction

The device has two instances of Universal Asynchronous Receiver/Transmitter (UART) module. The UART complies with the industry-standard 16550. All the two UART instances support full duplex asynchronous serial communication with hardware flow control. The register address space is relocated to 32-bit data boundaries for Advance Peripheral Bus (APB) implementation

Main Features

  • Full-duplex asynchronous communications

  • Programmable character properties

  • Transmit and receive FIFO depth at 16 bytes

  • Hardware flow control support

  • DMA support

  • IrDA SIR support

  • Two UART instances

Block Diagram

The functional block diagram of UART is shown as below.

Figure 47 UART block diagram

The following description illustrates each of the major blocks shown in the figure above.

  • Reset Block resets the clock domain.

  • APB Interface connects to APB bus.

  • Register Block is responsible for the main UART functionality including control, status, and interrupt generation.

  • Modem Sync Block synchronizes the modem input signal.

  • FIFO Block (optional) is responsible for FIFO control and storage — when using internal RAM — or optionally signaling to control external RAM.

  • Sync Block (optional) is implemented when the peripheral is configured to have a separate serial data clock (known as two-clock implementation).

  • Timeout Detector Block (optional) indicates the absence of character data movement in the receiver FIFO within a given time period; this is used to generate character timeout interrupts when enabled. This block can also have optional clock gate enable outputs — uart_lp_req_pclk for single clock implementations or uart_lp_req_pclk and uart_lp_req_sclk for two-clock implementations — in order to indicate:

    • TX and RX pipelines are cleared; that is, there is no data.

    • No activity has occurred.

    • Modem control input signals have not changed within a given time period.

  • Baud Clock Generator produces the transmitter and receiver baud clock along with the output reference clock signal (baudout_n).

  • Serial Transmitter converts the parallel data — written to the UART — into serial form and adds all additional bits, as specified by the control register, for transmission.

    • Serial UART

    • IrDA 1.0 SIR

  • Serial Receiver converts the serial data character — specified by the control register — received in UART form. This block controls:

    • Parity error detection

    • Framing error detection

    • Line break detection

Functional Description

UART (RS232) Serial Protocol

  • The serial communication between the UART and a selected device is asynchronous, so additional start and stop bits are added to the serial data to indicate the beginning and end. Utilizing these bits allows two devices to be synchronized. This structure of serial data, accompanied by start and stop bits, is referred to as a character, as shown below.

    Figure 48 Timing diagram
  • An additional parity bit can be added to the serial character. This bit appears after the last data bit and before the stop bit(s) in the character structure in order to provide the UART with the ability to perform simple error checking on the received data.

  • The UART Line Control Register (LCR) is used to control the serial character characteristics. The individual bits of the data word are sent after the start bit, starting with the least significant bit (LSB). These are followed by the optional parity bit, followed by the stop bit(s), which can be 1, 1.5, or 2.

  • All the bits in the transmission are transmitted for exactly the same time duration; the exception to this is the half-stop bit when 1.5 stop bits are used. This duration is referred to as a Bit Period or Bit Time; one Bit Time equals sixteen baud clocks.

  • To ensure stability on the line, the receiver samples the serial input data at approximately the midpoint of the Bit Time once the start bit has been detected. The exact number of baud clocks that are transmitted by each bit is known, so calculating the midpoint for sampling is not difficult; the midpoint for sampling occurs every sixteen baud clocks after sampling is performed at the midpoint of the start bit.

  • Together with serial input debouncing, this sampling helps to avoid the detection of false start bits. Short glitches are filtered out by debouncing, and no transition is detected on the line. If a glitch is wide enough to avoid filtering by debouncing, a falling edge is detected. However, a start bit is detected only if the line is again sampled low after half a Bit Time has elapsed. The following figure shows the sampling points of the first two bits in a serial character.

    Figure 49 Receiver serial data sample points
  • As part of the 16550 standard, an optional baud clock reference output signal (baudout_n) provides timing information for receiving devices that require it. The baud rate of the UART is controlled by the serial clock – sclk or pclk in a single clock implementation – and the Divisor Latch Register (DLH and DLL).

  • Serial data baud rate can be calculated as follows: Baud rate = (System clock frequency)/(16*Divisor). The Divisor is composed of an integer part (DLH/DLL register) and a fractional part (4-bit DLF register).

Fractional Baud Rate Support

UART supports fractional baud rate that enables users to program the fractional part of the divisor value to generate a fractional baud rate that results in reduced frequency error. The baud rate of UART is controlled by sclk in asynchronous serial clock implementation or pclk in single clock implementation and the Divisor Latch Register (DLH and DLL).

The baud rate is determined by the following factors:

  • Serial clock operating frequency (sclk in asynchronous serial clock implementation or pclk in single clock implementation)

  • The desired baud rate, or Baud rate (selected)

  • The baud rate generator divisor value, DIVISOR (composed of DLH & DLL registers).

  • The acceptable baud-rate error: Percentage ERROR.

The equation to calculate the baud rate is as follows:



where

DIVISOR – Number (in hexadecimal) to program the DLL and DLH, which represents the Baud rate divisor. Serial clock operating frequency – Frequency at sclk pin of UART. The Error between the Baud rate and Baud rate (selected) is given as:



When configuring the UART for Fractional Baud Rate, pay attention to the following.

  • The fractional value of the divisor is programmed in the Divisor Latch Fraction (DLF) register.
  • The fractional value is computed by using the (DLF.DLF)/(2^DLF_SIZE) formula.

The following table shows fractional values when the DLF_SIZE=4.

Table 357 Divisor latch fractional values
DLF Value Fraction Fractional Value
0000 0/16 0.0000
0001 1/16 0.0625
0010 2/16 0.125
0011 3/16 0.1875
0100 4/16 0.25
0101 5/16 0.3125
0110 6/16 0.375
0111 7/16 0.4375
1000 8/16 0.5
1001 9/16 0.5625
1010 10/16 0.625
1011 11/16 0.6875
1100 12/16 0.75
1101 13/16 0.8125
1110 14/16 0.875
1111 15/16 0.9375

The programmable fractional baud rate divisor enables a finer resolution of baud clock than the conventional integer divider. The programmable fractional baud clock divider allows for the programmability of both an integer divisor as well as fractional component. The average frequency of the baud clock from the fractional baud rate divisor is dependent upon both the integer divisor and the fractional component, thereby providing a finer resolution to the average frequency of the baud clock.



where

BRDI: Integer part of the divisor, with high bytes programmed by the DLH and low bytes programmed by the DLL.

BRDF: Fractional part of the divisor, which is programmed by the DLF.

FIFO Support

The UART module provides two 16-byte FIFO submodules: one (UART TX FIFO) for transmission and one (UART RX FIFO) for reception. By configuring the Shadow RCVR Trigger (SRT) register, you can program the trigger level in the RX FIFO at which the Received Data Available Interrupt is generated. By configuring the Shadow TX Empty Trigger (STET) register, you can program the trigger level in the TX FIFO at which the Empty Threshold Reached Interrupt is generated.

Interrupts

Assertion of the UART interrupt output signal occurs whenever one of the several prioritized interrupt types are enabled and active. When an interrupt occurs, the master accesses the IIR register. The following interrupt types can be enabled with the IER register:

  • Receiver Error

  • Receiver Data Available

  • Character Timeout (in FIFO mode only)

  • Transmitter Holding Register Empty at/below threshold (in Programmable THRE interrupt mode)

  • Modem Status

  • Busy Detect Indication

These interrupt types are explained in detail in the table below.

Table 358 Interrupt control functions
Interrupt ID Interrupt Set and Reset Functions
Bit3 Bit2 Bit1 Bit0 Priority Level Interrupt Type Interrupt Source Interrupt Reset Control
0 0 0 1 - None None -
0 1 1 0 Highest Receiver line status Overrun/Parity/Framing errors, break interrupt, or address received interrupt

For overrun/parity/framing/break interrupt reset control, the behavior is as follows:

The status is cleared on:

  • Reading the line status register.
  • In addition to an LSR read, the Receiver line status is also cleared when RX_FIFO is read.
0 1 0 0 Second Received data available Receiver data available (non-FIFO mode or FIFOs disabled) or RCVR FIFO trigger level reached (FIFO mode and FIFOs enabled) Reading the receiver buffer register (non-FIFO mode or FIFOs disabled) or the FIFO increases above the trigger level (FIFO mode and FIFOs enabled).
1 1 0 0 Second Character time indication No characters in or out of the RCVR FIFO during the last 4 character times and there is at least 1 character in it during this time Reading the receiver buffer register
0 0 1 0 Third Transmit holding register empty Transmitter holding register empty (Prog. THRE Mode disabled) or XMIT FIFO at or below threshold (Prog. THRE Mode enabled) Reading the IIR register (if source of interrupt); or, writing into THR (FIFOs or THRE Mode not selected or disabled) or XMIT FIFO above threshold (FIFOs and THRE Mode selected and enabled)
0 0 0 0 Fourth Modem status

Clear to send or data set ready or ring indicator or data carrier detect.

Note:

If auto flow control mode is enabled, a change in Clear to Send (CTS) (that is, DCTS set) does not cause an interrupt.

Reading the Modem status register
0 1 1 1 Fifth Busy detect indication UART_16550_COMPATIBLE = NO and master has tried to write to the Line Control Register while the DW_apb_uart is busy (USR[0] is set to 1) Reading the UART status register

Auto Flow Control

The UART can be configured to have a 16750-compatible Auto Request to Send (RTS) and Auto Clear To Send (CTS) serial data flow control mode available; if FIFOs are not implemented, this mode cannot be selected. When Auto Flow Control is not selected, none of the corresponding logics is implemented, and the mode cannot be enabled, reducing overall gate counts. When Auto Flow Control mode is selected, it can be enabled with the Modem Control Register (MCR[5] = 1).

The figure below shows a block diagram of the Auto Flow Control functionality.

Figure 50 Auto flow control block diagram

Auto RTS and Auto CTS are described as follows:

  • Auto RTS becomes active when all the following conditions occur:

    • Auto Flow Control is selected during configuration

    • FIFOs are implemented

    • RTS (Both MCR[1] bit and MCR[5] bit are set)

    • FIFOs are enabled (FCR[0]) bit is set)

    When Auto RTS is enabled, the rts_n output is forced inactive (high) when the FIFO is almost full, where “almost full” refers to two available slots in the FIFO. When rts_n is connected to the cts_n input of another UART device, the other UART stops sending serial data until the receiver FIFO has available space; that is, until it is completely empty.

    The selectable receiver FIFO threshold values are:

    • 1
    • 1/4
    • 1/2
    • 2 less than full

    Because one additional character can be transmitted to the UART after rts_n has become inactive—due to data already having entered the transmitter block in the other UART— setting the threshold to “2 less than full” allows maximum use of the FIFO with a safety zone of one character.

    When the receiver FIFO becomes completely empty by reading the Receiver Buffer Register (RBR), the rts_n again becomes active (low), signaling the other UART to continue sending data. The following figure shows a timing diagram of the Auto RTS operation.

    Figure 51 Auto RTS timing
  • Auto CTS becomes active when all the following conditions occur:

    • Auto Flow Control is selected during configuration

    • FIFOs are implemented

    • AFCE (MCR[5] bit = 1)

    • FIFOs are enabled through FIFO Control Register FCR[0] bit.

    When Auto CTS is enabled (active), the UART transmitter is disabled whenever the cts_n input becomes inactive (high). This prevents overflowing the FIFO of the receiving UART. If the cts_n input is not inactivated before the middle of the last stop bit, another character is transmitted before the transmitter is disabled. While the transmitter is disabled, the transmitter FIFO can still be written to, and even overflowed. Therefore, when using this Auto CTS mode, the following happens:

    • UART status register can be read to check if transmit FIFO is full (USR[1] set to 0).

    • Current FIFO level can be read using TFL register.

    • Programmable THRE Interrupt mode must be enabled to access “FIFO full” status using Line Status Register (LSR).

When using the “FIFO full” status, software can poll this before each write to the Transmitter FIFO. When the cts_n input becomes active (low) again, transmission resumes. The figure below illustrates a timing diagram that shows the Auto CTS operation.

Figure 52 Auto CTS timing

Programmable THRE Interrupt

The UART can be configured to Programmable THRE Interrupt mode to improve system performance; if FIFOs are not implemented, this mode cannot be selected.

  • When Programmable THRE Interrupt mode is not selected, none of the logics is implemented, and the mode cannot be enabled, reducing the overall gate counts.

  • When Programmable THRE Interrupt mode is selected, it can be enabled using the Interrupt Enable Register (IER[7] = 1).

  • hen FIFOs and THRE mode are implemented and enabled, the THRE Interrupts and dma_tx_req_n are active at and below a programmed transmitter FIFO empty threshold level, as opposed to empty, as shown in the flowchart below.

Figure 53 Flowchart of interrupt generation for programmable THRE interrupt mode

The threshold level is programmed into FCR[5:4]. Available empty thresholds are:

  • Empty

  • 2

  • 1/4

  • 1/2

Selection of the best threshold value depends on the ability of the system to begin a new transmission sequence in a timely manner. However, one of these thresholds should be optimal for increasing system performance by preventing the transmitter FIFO from running empty.

In addition to the interrupt change, the Line Status Register (LSR[5]) also switches from indicating the transmitter FIFO being empty to being full. This allows software to fill the FIFO for each transmit sequence by polling LSR[5] before writing another character. The flow then allows the transmitter FIFO to be filled whenever an interrupt occurs and there is data to transmit, rather than waiting until the FIFO is completely empty. Waiting until the FIFO is empty causes a reduction in performance whenever the system is too busy to respond immediately. Further system efficiency is achieved when this mode is enabled in combination with Auto Flow Control.

Even if everything (the conditions are true for the THRE interrupt, as shown in the upper-left corner of Figure 53) is selected and enabled, if the FIFOs are disabled using the FCR[0] bit, the Programmable THRE Interrupt mode is also disabled. When the programmable THRE interrupt is not selected or disabled, THRE interrupts and the LSR[5] bit function normally, signifying an empty THR or FIFO. Figure 54 illustrates the flowchart of THRE interrupt generation when not in programmable THRE interrupt mode.

Figure 54 Interrupt generation when not in programmable THRE interrupt mode

DMA Support

The UART module supports DMA0 handling with both transmission and reception. The UART uses two DMA channels - one for transmit data and one for receive data. Only one DMA channel is working at the same time.

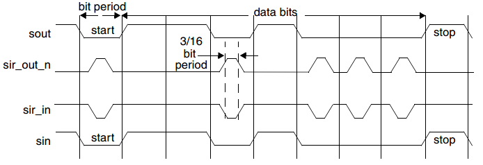
IrDA 1.0 SIR Protocol

The Infrared Data Association (IrDA) 1.0 Serial Infrared (SIR) mode supports bi-directional data communications with remote devices using infrared radiation as the transmission medium. IrDA 1.0 SIR mode specifies a maximum baud rate of 115.2 Kbaud.

The data format is similar to the standard serial data format. Each data character is sent serially in the following order:

  • Begins with a start bit

  • Followed by 8 data bits

  • Ends with at least one stop bit

Thus, the number of data bits that can be sent is fixed. No parity information can be supplied, and only one stop bit is used in this mode. Trying to adjust the number of data bits sent or enable parity with the Line Control Register (LCR) has no effect.

Configuration of the UART for IrDA 1.0 SIR does the following:

  • Bit 6 of the Mode Control Register (MCR) enables or disables the IrDA 1.0 SIR mode.

  • Disabling IrDA SIR mode causes the logic not to be implemented; the mode cannot be activated, which reduces total gate counts.

  • When IrDA SIR mode is enabled and active, serial data is transmitted and received on the sir_out_n and sir_in ports, respectively.

Transmission or non-transmission of a single infrared pulse indicates the following:

  • Transmitting a single infrared pulse indicates logic 0.

  • Non-transmission of a pulse indicates logic 1.

The width of each pulse is 3/16ths of a normal serial bit time. Thus, each new character begins with an infrared pulse for the start bit. However, received data is inverted from transmitted data due to infrared pulses energizing the photo transistor base of the IrDA receiver, which pulls its output low. This inverted transistor output is then fed to the UART sir_in port, which gives it the correct UART polarity.

Figure 55 IrDA SIR data format

When IrDA SIR mode is enabled, the UART operates in a manner similar to when the mode is disabled, with one exception: data transfers can only occur in half-duplex fashion when IrDA SIR mode is enabled. This is because the IrDA SIR physical layer specifies a minimum of 10 ms delay between transmission and reception; this 10 ms delay must be generated by software.

Registers

RBR

  • Name: Receive Buffer Register

  • Description: This register can be accessed only when the DLAB bit (LCR[7]) is cleared.

  • Base Address: 0x4000C500 + x*0x100

  • Offset: 0x0

  • Reset Value: 0x00000000

Note:

*x is used to identify the UART Module instance. The “x” can be 0 or 1.

Table 359 Receive Buffer Register
Bits Field Name RW Reset Description

31:8

RSVD

R

Reserved bits

7:0

RBR

R

0x0

Receive Buffer Register.

This register contains the data byte received on the serial input port (sin) in UART mode. The data in this register is valid only if the Data Ready (DR) bit in the Line Status Register (LSR) is set.

DLL

  • Name: Divisor Latch Low Register

  • Description: This register can be accessed only when the DLAB bit (LCR[7]) is set.

  • Base Address: 0x4000C500 + x*0x100

  • Offset: 0x00

  • Reset Value: 0x00000000

Table 360 Divisor Latch Low Register
Bits Field Name RW Reset Description

31:8

RSVD

R

Reserved bits

7:0

DLL

RW

0x0

Divisor Latch (Low).

This register makes up the lower 8 bits of a 16-bit, read/write, Divisor Latch register that contains the baud rate divisor for the UART. Note that with the Divisor Latch Registers (DLL and DLH) set to zero, the baud clock is disabled and no serial communications will occur. In addition, once the DLL is set, at least 8 clock cycles of the slowest UART clock should be allowed to pass before transmitting or receiving data.

THR

  • Name: Transmit Holding Register

  • Description: This register can be accessed only when the DLAB bit (LCR[7]) is cleared.

  • Base Address: 0x4000C500 + x*0x100

  • Offset: 0x00

  • Reset Value: 0x00000000

Table 361 Transmit Holding Register
Bits Field Name RW Reset Description

31:8

RSVD

R

0x0

Reserved bits

7:0

THR

W

0x0

Transmit Holding Register.

This register contains data to be transmitted on the serial output port (sout) in UART mode. Data should only be written to the TXR when the TXR Empty (THRE) bit (LSR [5]) is set.

DLH

  • Name: Divisor Latch High Register

  • Description: This register can be accessed only when the DLAB bit (LCR [7]) is set.

  • Base Address: 0x4000C500 + x*0x100

  • Offset: 0x04

  • Reset Value: 0x00000000

Table 362 Divisor Latch High Register
Bits Field Name RW Reset Description

31:8

RSVD

R

Reserved bits

7:0

DLH

RW

0x0

Divisor Latch (HIGH).

Upper 8-bit of a 16-bit, read/write, Divisor Latch register that contains the baud rate divisor for the UART. Note that with the Divisor Latch Registers (DLL and DLH) set to zero, the baud clock is disabled and no serial communications will occur. Also, once the DLH is set, at least 8 clock cycles of the slowest UART clock should be allowed to pass before transmitting or receiving data.

IER

  • Name: Interrupt Enable Register

  • Description: This register can be accessed only when the DLAB bit (LCR [7]) is cleared.

  • Base Address: 0x4000C500 + x*0x100

  • Offset: 0x04

  • Reset Value: 0x00000000

Table 363 Interrupt Enable Register
Bits Field Name RW Reset Description

31:8

RSVD

R

Reserved bits

7

PTIME

RW

0x0

This is used to enable/disable the generation of THRE Interrupt.

Value:

  • 0x0 (DISABLED): Disable Programmable THRE Interrupt Mode

  • 0x1 (ENABLED): Enable Programmable THRE Interrupt Mode

6:4

RSVD

R

Reserved bits

3

EDSSI

RW

0x0

Enable Modem Status Interrupt.

This is used to enable/disable the generation of

Modem Status Interrupt. This is the fourth highest priority interrupt.

Value:

  • 0x0 (DISABLED): Disable Modem Status Interrupt

  • 0x1 (ENABLED): Enable Modem Status Interrupt

2

ERLS

RW

0x0

Enable Receiver Line Status Interrupt.

This is used to enable/disable the generation of Receiver Line Status Interrupt. This is the highest priority interrupt.

Value:

  • 0x0 (DISABLED): Disable Receiver Line Status Interrupt

  • 0x1 (ENABLED): Enable Receiver Line Status Interrupt

1

ETBEI

RW

0x0

Enable Transmit Holding Register Empty Interrupt.

This is used to enable/disable the generation of Transmitter Holding Register Empty Interrupt. This is the third highest priority interrupt.

Value:

  • 0x0 (DISABLED): Disable Transmit empty interrupt

  • 0x1 (ENABLED): Enable Transmit empty interrupt

0

ERBFI

RW

0x0

Enable Received Data Available Interrupt.

This is used to enable/disable the generation of Received Data Available Interrupt and the Character Timeout Interrupt (if in FIFO mode and FIFO's enabled). These are the second highest priority interrupts.

Value:

  • 0x0 (DISABLED): Disable Receive Data Interrupt

  • 0x1 (ENABLED): Enable Receive Data Interrupt

FCR

  • Name: FIFO Control Register

  • Description: FIFO Control Register

  • Base Address: 0x4000C500 + x*0x100

  • Offset: 0x08

  • Reset Value: 0x00000400

Table 364 FIFO Control Register
Bits Field Name RW Reset Description

31:8

RSVD

R

Reserved bits

7:6

RT

W

0x0

RX Trigger (or RX_FIFO_TRG).

This is used to select the trigger level in the receiver FIFO at which the Received Data Available Interrupt will be generated. In auto flow control mode, it is used to determine when the rts_n signal will be de-asserted. It also determines when the dma_rx_req_n signal will be asserted when in certain modes of operation.

Value:

  • 0x0 (FIFO_CHAR_1): 1 character in FIFO

  • 0x1 (FIFO_QUARTER_FULL): FIFO 1/4 full

  • 0x2 (FIFO_HALF_FULL): FIFO 1/2 full

  • 0x3 (FIFO_FULL_2): FIFO 2 less than full

5:4

TET

W

0x0

TX Empty Trigger (or TX_EMPTY_TRG).

This is used to select the empty threshold level at which the THRE Interrupts will be generated when the mode is active. It also determines when the dma_tx_req_n signal will be asserted when in certain modes of operation.

Value:

  • 0x0 (FIFO_EMPTY): FIFO Empty

  • 0x1 (FIFO_CHAR_2): 2 characters in FIFO

  • 0x2 (FIFO_QUARTER_FULL): FIFO 1/4 full

  • 0x3 (FIFO_HALF_FULL): FIFO 1/2 full

3

DMA_MODE

W

0x0

DMA Mode (or DMA_MODE).

This determines the DMA signaling mode used for the dma_tx_req_n and dma_rx_req_n output signals when additional DMA handshaking signals are not selected.

Value:

  • 0x0 (MODE0): Mode 0

  • 0x1 (MODE1): Mode 1

2

XFIFOR

W

0x0

TX FIFO Reset (or TX_FIFO_RST).

This resets the control portion of the transmit FIFO and treats the FIFO as empty. This will also de-assert the DMA TX request and single signals when additional DMA handshaking signals are selected.

Value:

0x1 (RESET): Transmit FIFO reset

1

RFIFOR

W

0x0

RX FIFO Reset (or RX_FIFO_RST).

This resets the control portion of the receive FIFO and treats the FIFO as empty. This will also de-assert the DMA RX request and single signals when additional DMA handshaking signals are selected.

Value:

0x1 (RESET): Receive FIFO reset

0

FIFOE

W

0x0

FIFO Enable (or FIFO_EN).

This enables/disables the transmit (TX) and receive (RX) FIFOs. Whenever the value of this bit is changed both the TX and RX controller portion of FIFOs is reset.

Value:

  • 0x0 (DISABLED): FIFO disabled

  • 0x1 (ENABLED): FIFO enabled

IIR

  • Name: Interrupt Identification Register

  • Description: Interrupt Identification Register

  • Base Address: 0x4000C500 + x*0x100

  • Offset: 0x08

  • Reset Value: 0x00000001

Table 365 Interrupt Identification Register
Bits Field Name RW Reset Description

31:8

RSVD

R

Reserved bits

7:6

FIFO_EN

R

0x0

FIFOs Enabled (or FIFO_EN).

This is used to indicate whether the FIFOs are enabled or disabled.

Value:

  • 0x0 (DISABLED): FIFOs are disabled

  • 0x3 (ENABLED): FIFOs are enabled

5:4

RSVD

R

Reserved bits

3:0

IID

R

0x1

Interrupt ID (or priority index).

This indicates the highest priority pending interrupt which can be one of the following types specified in Values.

Value:

  • 0x0 (MODEM_STATUS): modem status

  • 0x1 (NO_INTERRUPT_PENDING): no interrupt pending

  • 0x2 (TX_HDG _EMPTY): TX_HDG empty

  • 0x4 (RECEIVED_DATA_AVAILABLE): received data available

  • 0x6 (RECEIVER_LINE_STATUS): receiver line status

  • 0xC (CHARACTER_TIMEOUT): character timeout

LCR

  • Name: Line Control Register

  • Description: Line Control Register

  • Base Address: 0x4000C500 + x*0x100

  • Offset: 0x0C

  • Reset Value: 0x00000000

Table 366 Line Control Register
Bits Field Name RW Reset Description

31:8

RSVD

R

Reserved bits

7

DLAB

RW

0x0

Divisor Latch Access Bit.

This bit is used to enable reading and writing of the Divisor Latch Register (DLL and DLH) to set the baud rate of the UART. This bit must be cleared after initial baud rate setup in order to access other registers.

Value:

  • 0x0 (DISABLED): Divisor Latch register is writable only when UART is not busy.

  • 0x1 (ENABLED): Divisor Latch register is always readable and writable

6

BC

RW

0x0

Break Control Bit.

This is used to cause a break condition to be transmitted to the receiving device. If set to one the serial output is forced to the spacing (logic 0) state. When not in Loopback Mode, as determined by MCR[4], the sout line is forced low until the Break bit is cleared. When in Loopback Mode, the break condition is internally looped back to the receiver and the sir_out_n line is forced low.

Value:

  • 0x0 (DISABLED): Serial output is released for data transmission

  • 0x1 (ENABLED): Serial output is forced to spacing state

5

STICK_PARITY

RW

0x0

Stick Parity.

This bit is used to force parity value. When PARITY, EVEN_PARITY_SEL and STICK_PARITY are set to 1, the parity bit is transmitted and checked as logic 0. If PARITY and Stick Parity are set to 1 and EVEN_PARITY_SEL is a logic 0, then parity bit is transmitted and checked as a logic 1. If this bit is set to 0, Stick Parity is disabled.

Value:

  • 0x0 (DISABLED): STICK_PARITY disabled

  • 0x1 (ENABLED): STICK_PARITY enabled

4

EVEN_PARITY_SEL

RW

0x0

Even Parity Select.

This is used to select between even and odd parity, when parity is enabled (PEN set to one). If this bit is set to one, an even number of logic '1's is transmitted or checked. If set to zero, an odd number of logic '1's is transmitted or checked.

Value:

  • 0x0 (ODD_PARITY): An odd parity is transmitted or checked.

  • 0x1 (EVEN_PARITY): An even parity is transmitted or checked.

3

PARITY

RW

0x0

Parity Enable.

This bit is used to enable and disable parity generation and detection in transmitted and received serial character respectively.

Value:

  • 0x0 (DISABLED): Disable parity

  • 0x1 (ENABLED): Enable parity

2

STOP

RW

0x0

Number of Stop bits.

This is used to select the number of Stop bits per character that the peripheral will transmit and receive. If set to 0, one stop bit is transmitted in the serial data. If this bit is set to 1 and the Data bits are set to 5 (LCR[1:0] set to 0), one and a half Stop bits are transmitted. Otherwise, two Stop bits are transmitted. Note that regardless of the number of stop bits selected, the receiver will only check the first Stop bit.

Note:

The Stop bit duration implemented by UART may appear longer due to idle time inserted between characters for some configurations and baud clock divisor values in the transmit direction.

Value:

  • 0x0 (STOP_1BIT): 1 stop bit

  • 0x1 (STOP_1_5BIT_OR_2BIT): 1.5 stop bits when DLS (LCR[1:0]) is zero, else 2 stop bits

1:0

DLS

RW

0x0

Data Length Select (or CLS as used in legacy).

This field is used to select the number of data bits per character that the peripheral will transmit and receive.

Value:

  • 0x0 (CHAR_5BITS): 5 data bits per character

  • 0x1 (CHAR_6BITS): 6 data bits per character

  • 0x2 (CHAR_7BITS): 7 data bits per character

  • 0x3 (CHAR_8BITS): 8 data bits per character

MCR

  • Name: Modem Control Register

  • Description: Modem Control Register

  • Base Address: 0x4000C500 + x*0x100

  • Offset: 0x10

  • Reset Value: 0x00000000

Table 367 Modem Control Register
Bits Field Name RW Reset Description

31:6

RSVD

R

Reserved bits

5

AFCE

RW

0x0

Auto Flow Control Enable

When FIFOs are enabled and the Auto Flow Control Enable (AFCE) bit is set, Auto Flow Control features are enabled as described in “Auto Flow Control”.

Value:

  • 0x0 (DISABLED): Auto Flow Control Mode disabled

  • 0x1 (ENABLED): Auto Flow Control Mode enabled

4

LOOPBACK

RW

0x0

Loopback Bit.

This is used to put the UART into a diagnostic mode for test purposes.

Value:

  • 0x0 (DISABLED): Loopback mode disabled

  • 0x1 (ENABLED): Loopback mode enabled

3:2

RSVD

R

Reserved bits

1

RTS

RW

0x0

Request to Send.

This is used to directly control the Request to Send (rts_n) output. The Request To Send (rts_n) output is used to inform the modem or data set that the UART is ready to exchange data.

Value:

  • 0x0 (INACTIVE): Request to Send rts_n de-asserted (logic 1)

  • 0x1 (ACTIVE): Request to Send rts_n asserted (logic 0)

0

RSVD

R

Reserved bits

LSR

  • Name: Line Status Register

  • Description: Line Status Register

  • Base Address: 0x4000C500 + x*0x100

  • Offset: 0x14

  • Reset Value: 0x00000000

Table 368 Line Status Register
Bits Field Name RW Reset Description

31:8

RSVD

R

Reserved bits

7

RFE

R

0x0

Receiver FIFO Error bit.

This is used to indicate if there is at least one parity error, framing error, or break indication in the FIFO. This bit is cleared when the LSR is read and the character with the error is at the top of the receiver FIFO and there are no subsequent errors in the FIFO.

Value:

  • 0x0 (NO_RX_FIFO_ERROR): No error in RX FIFO

  • 0x1 (RX_FIFO_ERROR): Error in RX FIFO

6

TEMT

R

0x1

Transmitter Empty bit.

If FIFO is enabled (FCR[0] set to one), this bit is set whenever the Transmitter Shift Register and the FIFO are both empty.

Value:

  • 0x0 (DISABLED): Transmitter not empty

  • 0x1 (ENABLED): Transmitter empty

5

THRE

R

0x1

Transmit Holding Register Empty bit.

If THRE mode is disabled (IER[7] set to zero) and regardless of FIFO's being implemented/enabled or not, this bit indicates that the THR or TX FIFO is empty.

Value:

  • 0x0 (DISABLED): THRE interrupt control is disabled

  • 0x1 (ENABLED): THRE interrupt control is enabled

4

BI

R

0x0

Break Interrupt bit.

This is used to indicate the detection of a break sequence on the serial input data.

Value:

  • 0x0 (NO_BREAK): No break sequence detected

  • 0x1 (BREAK): Break sequence detected

3

FE

R

0x0

Framing Error bit.

This is used to indicate the occurrence of a framing error in the receiver. A framing error occurs when the receiver does not detect a valid STOP bit in the received data.

Value:

  • 0x0 (NO_FRAMING_ERROR): no framing error

  • 0x1 (FRAMING_ERROR): framing error

2

PE

R

0x0

Parity Error bit.

This is used to indicate the occurrence of a parity error in the receiver if the Parity Enable (PARITY) bit (LCR[3]) is set.

Value:

  • 0x0 (NO_PARITY_ERROR): no parity error

  • 0x1 (PARITY_ERROR): parity error

1

OE

R

0x0

Overrun error bit.

This is used to indicate the occurrence of an overrun error. This occurs if a new data character was received before the previous data was read.

Value:

  • 0x0 (NO_OVER_RUN_ERROR): no overrun error

  • 0x1 (OVER_RUN_ERROR): overrun error

0

DR

R

0x0

Data Ready bit.

This is used to indicate that the receiver contains at least one character in the RBR or the receiver FIFO. This bit is cleared when the receiver FIFO is empty, in the FIFO mode.

Value:

  • 0x0 (NOT_READY): data not ready

  • 0x1 (READY): data ready

MSR

  • Name: Modem Status Register

  • Description: Whenever bit 0 is set to logic 1 to indicate a change on the modem control inputs, a modem status interrupt will be generated if enabled via the INT_EN regardless of when the change occurred. The bits (bit 0) can be set after a reset, even though their respective modem signals are inactive, because the synchronized version of the modem signals have a reset value of 0 and change to value 1 after reset. To prevent unwanted interrupts due to this change, a read of the MSR register can be performed after reset.

  • Base Address: 0x4000C500 + x*0x100

  • Offset: 0x18

  • Reset Value: 0x00000000

Table 369 Modem Status Register
Bits Field Name RW Reset Description

31:5

RSVD

R

Reserved bits

4

CTS

R

0x0

Clear to Send.

This is used to indicate the current state of the modem control line cts_n. That is, this bit is the complement cts_n. When the Clear to Send input (cts_n) is asserted, it is an indication that the modem or data set is ready to exchange data with the UART. In Loopback Mode (MCR[4] set to one), CLR_SEND is the same as MCR[1] (RTS).

Value:

  • 0x0 (DEASSERTED): cts_n input is de-asserted (logic 1)

  • 0x1 (ASSERTED): cts_n input is asserted (logic 0)

3:1

RSVD

R

Reserved bits

0

DCTS

R

0x0

Delta Clear to Send.

This is used to indicate that the modem control line cts_n has changed since the last time the MSR was read. Reading the MSR clears the DCTS bit. In Loopback Mode (MCR[4] set to one), DCTS reflects changes on MCR[1] (RTS).

Note:

If the DCTS bit is not set and the cts_n signal is asserted (low) and a reset occurs (software or otherwise), then the DCTS bit will get set when the reset is removed if the cts_n signal remains asserted.

Value:

  • 0x0 (NO_CHANGE): no change on cts_n since last read of MSR

  • 0x1 (CHANGE): change on cts_n since last read of MSR

SRBR

  • Name: Shadow Receive Buffer Register

  • Description: This register can be accessed only when the DLAB bit (LCR[7]) is cleared.

  • Base Address: 0x4000C500 + x*0x100

  • Offset: 0x30

  • Reset Value: 0x00000000

Table 370 Shadow Receive Buffer Register
Bits Field Name RW Reset Description

31:8

RSVD

R

Reserved bits

7:0

SHADOW_RX_BUFn

R

Shadow Receive Buffer Register n.

This is a shadow register for the RBR and has been allocated sixteen 32-bit locations so as to accommodate burst accesses from the master. This register contains the data byte received on the serial input port (sin) in UART mode. The data in this register is valid only if the Data Ready (DR) bit in the Line Status Register (LSR) is set.

  • If FIFOs are disabled (FCR[0] set to zero), the data in the RBR must be read before the next data arrives, otherwise it will be overwritten, resulting in an overrun error.

  • If FIFOs are enabled (FCR[0] set to one), this register accesses the head of the receive FIFO. If the receive FIFO is full and this register is not read before the next data character arrives, then the data already in the FIFO will be preserved but any incoming data will be lost. An overrun error will also occur.

STHR

  • Name: Shadow Transmit Holding Register

  • Description: This register can be accessed only when the DLAB bit (LCR[7]) is cleared.

  • Base Address: 0x4000C500 + x*0x100

  • Offset: 0x30

  • Reset Value: 0x00000000

Table 371 Shadow Transmit Holding Register
Bits Field Name RW Reset Description

31:8

RSVD_STHRn

R

SHADOW_TX_HDG0 31 to SHADOW_TX_HDGN_REG_SIZE Reserved bits read as 0.

7:0

SHADOW_TX_HDGn

W

0x0

Shadow Transmit Holding Register n.

This is a shadow register for the THR and has been allocated sixteen 32-bit locations so as to accommodate burst accesses from the master. This register contains data to be transmitted on the serial output port (sout) in UART mode. Data should only be written to the THR when the THR Empty (THRE) bit (LSR[5]) is set.

  • If FIFOs are disabled (FCR[0] set to zero) and THRE is set, writing a single character to the THR clears the THRE. Any additional writes to the THR before the THRE is set again causes the THR data to be overwritten.

  • If FIFOs are enabled (FCR[0] set to one) and THRE is set, x number of characters of data may be written to the THR before the FIFO is full. The number x (default=16) is determined by the value of FIFO Depth that you set during configuration. Any attempt to write data when the FIFO is full results in the write data being lost.

FAR

  • Name: FIFO Access Register

  • Description: FIFO Access Register

  • Base Address: 0x4000C500 + x*0x100

  • Offset: 0x70

  • Reset Value: 0x00000000

Table 372 FIFO Access Register
Bits Field Name RW Reset Description

31:1

RSVD

R

Reserved bits

0

FIFO_ACCESS

R

0x0

This register is use to enable a FIFO access mode for testing, so that the receive FIFO can be written by the master and the transmit FIFO can be read by the master when FIFO's are implemented and enabled. When FIFOs are not implemented or not enabled, it allows the RBR to be written by the master and the THR to be read by the master.

Note:

When the FIFO access mode is enabled/disabled, the control portion of the receive FIFO and transmit FIFO is reset and the FIFO's are treated as empty.

Value:

  • 0x0 (DISABLED): FIFO access mode disabled

  • 0x1 (ENABLED): FIFO access mode enabled

USR

  • Name: UART Status Register

  • Description: UART Status register

  • Base Address: 0x4000C500 + x*0x100

  • Offset: 0x7C

  • Reset Value: 0x00000000

Table 373 UART Status Register
Bits Field Name RW Reset Description

31:5

RSVD

R

Reserved bits

4

RFF

R

0x0

Receive FIFO Full.

This is used to indicate that the receive FIFO is completely full. This bit is cleared when the RX FIFO is no longer full.

Value:

  • 0x0 (NOT_FULL): Receive FIFO not full

  • 0x1 (FULL): Receive FIFO full

3

RFNE

R

0x0

Receive FIFO Not Empty.

This is used to indicate that the receive FIFO contains one or more entries. This bit is cleared when the RX FIFO is empty.

Value:

  • 0x0 (EMPTY): Receive FIFO is empty

  • 0x1 (NOT_EMPTY): Receive FIFO is not empty

2

TFE

R

0x1

Transmit FIFO Empty.

This is used to indicate that the transmit FIFO is completely empty. This bit is cleared when the TX FIFO is no longer empty.

Value:

  • 0x0 (NOT_EMPTY): Transmit FIFO is not empty

  • 0x1 (EMPTY): Transmit FIFO is empty

1

TFNF

R

0x1

Transmit FIFO Not Full.

This is used to indicate that the transmit FIFO in not full. This bit is cleared when the TX FIFO is full.

Value:

  • 0x0 (FULL): Transmit FIFO is full

  • 0x1 (NOT_FULL): Transmit FIFO is not full

0

RSVD

R

Reserved bit

TFL

  • Name: Transmit FIFO Level

  • Description: Transmit FIFO Level

  • Base Address: 0x4000C500 + x*0x100

  • Offset: 0x80

  • Reset Value: 0x00000000

Table 374 Transmit FIFO Level
Bits Field Name RW Reset Description

31:8

RSVD

R

Reserved bits

7:0

TFL

R

0x0

Transmit FIFO Level.

This indicates the number of data entries in the transmit FIFO.

RFL

  • Name: Receive FIFO Level

  • Description: Receive FIFO Level

  • Base Address: 0x4000C500 + x*0x100

  • Offset: 0x84

  • Reset Value: 0x00000000

Table 375 Receive FIFO Level
Bits Field Name RW Reset Description

31:8

RSVD

R

Reserved bits

7:0

RFL

R

0x0

Receive FIFO Level.

This is indicates the number of data entries in the receive FIFO.

SRR

  • Name: Software Reset Register

  • Description: Software Reset Register

  • Base Address: 0x4000C500 + x*0x100

  • Offset: 0x88

  • Reset Value: 0x00000000

Table 376 Software Reset Register
Bits Field Name RW Reset Description

31:3

RSVD

R

Reserved bits

2

XFR

W

0x0

TX FIFO Reset.

This is a shadow register for the TX FIFO Reset bit (FCR[2]). This can be used to remove the burden on software having to store previously written FCR values (which are pretty static) just to reset the transmit FIFO

1

RFR

W

0x0

RX FIFO Reset.

This is a shadow register for the RX FIFO Reset bit (FCR[1]). This can be used to remove the burden on software having to store previously written FCR values (which are pretty static) just to reset the receive FIFO.

0

UR

W

0x0

UART Reset.

This asynchronously resets the UART and synchronously removes the reset assertion. For a two-clock implementation both PCLK and SCLK domains will be reset.

Value:

  • 0x0 (NO_RESET): No UART Reset
  • 0x1 (RESET): UART reset

SRTS

  • Name: Shadow Request to Send Register

  • Description: Shadow Request to Send

  • Base Address: 0x4000C500 + x*0x100

  • Offset: 0x8C

  • Reset Value: 0x00000000

Table 377 Shadow Request to Send Register
Bits Field Name RW Reset Description

31:1

RSVD

R

Reserved bits

0

SRTS

RW

0x0

Shadow Request to Send.

This is a shadow register for the RTS bit (MCR [1]), this can be used to remove the burden of having to performing a read modify write on the MCR. This is used to directly control the Request to Send (rts_n) output. The Request To Send (rts_n) output is used to inform the modem or data set that the UART is ready to exchange data.

Value:

  • 0x0 (DEASSERTED): Shadow Request to Send uart_rts_n logic 1

  • 0x1 (ASSERTED): Shadow Request to Send uart_rts_n logic 0

SBCR

  • Name: Shadow Break Control Register

  • Description: Shadow Break Control Register

  • Base Address: 0x4000C500 + x*0x100

  • Offset: 0x90

  • Reset Value: 0x00000000

Table 378 Shadow Break Control Register
Bits Field Name RW Reset Description

31:1

RSVD

R

Reserved bits

0

SBCR

RW

0x0

Shadow Break Control Bit.

This is a shadow register for the Break bit (LCR[6]). This can be used to remove the burden of having to performing a read modify write on the LCR. This is used to cause a break condition to be transmitted to the receiving device. If set to one the serial output is forced to the spacing (logic 0) state. When not in Loopback Mode, as determined by MCR [4], the sout line is forced to be low until the Break bit is cleared.

Value:

  • 0x0 (NO_BREAK): No spacing on serial output

  • 0x1 (BREAK): Serial output forced to the spacing

SFE

  • Name: Shadow FIFO Enable Register

  • Description: Shadow FIFO Enable Register

  • Base Address: 0x4000C500 + x*0x100

  • Offset: 0x98

  • Reset Value: 0x00000000

Table 379 Shadow FIFO Enable Register
Bits Field Name RW Reset Description

31:1

RSVD

R

Reserved bits

0

SFE

RW

0x0

Shadow FIFO Enable.

This is a shadow register for the FIFO enable bit (FCR[0]). This can be used to remove the burden of having to store the previously written value to the FCR in memory and having to mask this value so that only the FIFO enable bit gets updated. This enables/disables the transmit (TX) and receive (RX) FIFO's. If this bit is set to zero (disabled) after being enabled then both the TX and RX controller portions of FIFO's will be reset.

Value:

  • 0x0 (DISABLED): FIFOs are disabled

  • 0x1 (ENABLED): FIFOs are enabled

SRT

  • Name: Shadow RX Trigger Register

  • Description: Shadow RX Trigger Register

  • Base Address: 0x4000C500 + x*0x100

  • Offset: 0x9C

  • Reset Value: 0x00000000

Table 380 Shadow RX Trigger Register
Bits Field Name RW Reset Description

31:2

RSVD

R

Reserved bits

1:0

SRT

RW

0x0

Shadow RX Trigger.

This is a shadow register for the RX trigger bits (FCR[7:6]). This can be used to remove the burden of having to store the previously written value to the FCR in memory and having to mask this value so that only the RX trigger bit gets updated.

Value:

  • 0x0 (FIFO_CHAR_1): 1 character in FIFO

  • 0x1 (FIFO_QUARTER_FULL): FIFO 1/4 full

  • 0x2 (FIFO_HALF_FULL): FIFO 1/2 full

  • 0x3 (FIFO_FULL_2): FIFO 2 less than full

STET

  • Name: Shadow TX Empty Trigger Register

  • Description: Shadow TX Empty Trigger Register

  • Base Address: 0x4000C500 + x*0x100

  • Offset: 0xA0

  • Reset Value: 0x00000000

Table 381 Shadow TX Empty Trigger Register
Bits Field Name RW Reset Description

31:2

RSVD

R

Reserved bits

1:0

STET

RW

0x0

Shadow TX Empty Trigger.

This is a shadow register for the TX empty trigger bits (FCR[5:4]). This can be used to remove the burden of having to store the previously written value to the FCR in memory and having to mask this value so that only the TX empty trigger bit gets updated.

Value:

  • 0x0 (FIFO_EMPTY): FIFO empty

  • 0x1 (FIFO_QUARTER_FULL): FIFO 1/4 full

  • 0x2 (FIFO_HALF_FULL): FIFO 1/2 full

  • 0x3 (FIFO_FULL_2): FIFO 2 less than full

HTX

  • Name: Halt TX Register

  • Description: Halt TX

  • Base Address: 0x4000C500 + x*0x100

  • Offset: 0xA4

  • Reset Value: 0x00000000

Table 382 Halt TX Register
Bits Field Name RW Reset Description

31:1

RSVD

R

Reserved bits

0

HTX

RW

0x0

Halt TX.

This register is use to halt transmissions for testing, so that the transmit FIFO can be filled by the master when FIFOs are implemented and enabled.

Value:

  • 0x0 (DISABLED): Halt Transmission disabled

  • 0x1 (ENABLED): Halt Transmission enabled

DLF

  • Name: Divisor Latch Fraction Register

  • Description: Divisor Latch Fraction Register

  • Base Address: 0x4000C500 + x*0x100

  • Offset: 0xC0

  • Reset Value: 0x00000000

Table 383 Divisor Latch Fraction Register
Bits Field Name RW Reset Description

31:4

RSVD

R

Reserved bits

3:0

DLF

RW

0x0

Fractional part of divisor.

The fractional value is added to integer value set by DLH and DLL. Fractional value is determined by (Divisor Fraction value, DLF.DLF)/(2^DLF_SIZE), where DLF_SIZE = 4.

Electrical Specifications

Table 384 Baud rate with 64 MHz serial clock
Baud Rate Divider DLH Reg DLL Reg DLF Reg Actual Baud Rate Error (%)
1200 3333.33 13 5 5 1200 0
2400 1666.67 6 130 11 2399.97 0
4800 833.33 3 65 5 4800.12 0
9600 416.67 1 160 11 9599.52 0.05
14400 277.78 1 21 12 14401.44 0.01
19200 208.33 0 208 6 19201.92 0.01
28800 138.89 0 138 14 28802.88 0.01
38400 104.17 0 104 3 38392.32 0.02
57600 69.44 0 69 7 57605.76 0.01
115200 34.72 0 34 12 115107.91 0.08
230400 17.36 0 17 6 230215.83 0.08
460800 8.68 0 8 11 460431.65 0.08
921600 4.34 0 4 5 927536.23 0.64
1000000 4 0 4 0 1000000 0
2000000 2 0 2 0 2000000 0

扫描关注

打开微信,使用“扫一扫”即可关注。